Tabulka pro zábalové procedury Aquator AQ-53-2300-7,2
Popis
Tabulka je pro postupy balení. Stůl má odtok na bláto, odtok na vodu, vyhřívání stolu.
Zařízení:
- Korpus stolu s vestavěným sběračem bahna (7,2 l), hliníkovým rámem, nastavitelnými nohami, 2 předními (dlouhými) a 2 bočními (krátkými) panely,
- Odtok pro bláto, odtok pro vodu,
- Směšovač s ruční sprchou,
- Topný systém 150 kW
Bahenní vozík není součástí dodávky.
Technická data:
- Výkon (kW): 0,15
- Aktuální (A): 0,7
- Napětí (V): 230
- Frekvence (Hz): 50

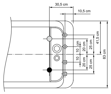
%u25EF - Odtok pro nečistoty ø 50 mm
%u25CD - Odtok pro vodu ø 50 mm
H - Horká voda (½ "kohoutek vysoký maximálně 16 cm od podlahy)
C - Studená voda (½ "kohoutek vysoký maximálně 16 cm od podlahy)
S - napájecí kabel (1 m)
E - Dodatečný uzemňovací kabel (1 m)
Navíc k dispozici:
- Faucet s ruční sprchou
- Speciální barva pro stůl a panely 5A38 Brown
- Polštář
- Matrace
- Vodní matrace (3 samostatné polštáře 20 L)
- Vozík s 1 ks. nádoba na bláto
- Zásobník bahna.
Technical specification
- Délka (mm) 2300
- Rozměry šířka (mm) 830
- Rozměry výška (mm) 770
Instrukce
Shipping information
Prioritou naší společnosti je dodávat zákazníkům zboží nejvyšší kvality v čase, který jim vyhovuje, na místo, které si sami zvolí.
Zboží zasíláme do všech zemí světa, pokud při výběru doručovací adresy nenajdete zemi nebo město, které potřebujete, kontaktujte nás prosím na e-mail [email protected] nebo volejte na kontaktní tel., cena doručení bude vypočítat individuálně.
Doručení je vždy k dispozici.
Informace o doručení:
Příprava objednávky k odeslání trvá 2–3 pracovní dny od přijetí platby na bankovní účet obchodu. Jakmile bude vaše objednávka připravena, bude předána kurýrovi k doručení.
Dodací lhůta:
Doručení obvykle trvá 8–10 pracovních dnů, ale u větších nebo objemných objednávek může dodací lhůta trvat déle.
Upozorňujeme, že objednávky nejsou zpracovávány, odesílány ani doručovány o víkendech nebo státních svátcích.
Maximální doba dodání by neměla přesáhnout 4–6 týdnů.
Dodací lhůta se počítá od okamžiku vyzvednutí a odeslání objednávky z našeho skladu. Jakmile je objednávka odeslána, klient obdrží e-mailové upozornění se všemi informacemi o sledování jeho objednávky. Dodací podmínky se mohou měnit v závislosti na vzdálenosti místa určení.
Doba dodání na webu je přibližná.
Společnost nenese odpovědnost za případné zpoždění dodávky.
Společnost nezodpovídá za přeskupování elektrikářů nebo stavitelů.
NB! Pokud jste svou objednávku neobdrželi ve výše uvedené lhůtě, kontaktujte prosím náš zákaznický servis.
Ceny doručení domů
Cena dopravy po celé Evropě se vypočítává podle sazeb stanovených kurýrní službou.
Před doručením zboží Vám kurýr telefonicky sjedná přijatelnou dodací lhůtu (pracovní dny Po-Pá 8:00 - 17:00).
Náklady na doručení nejsou zahrnuty v ceně produktu uvedené v internetovém obchodě.
Cena dopravy bude připočtena k hodnotě nákupního košíku.
Sběr zboží
Při přebírání dodaného zboží prosím zkontrolujte stav zásilky (obalu), ujistěte se, že obal není zdeformovaný nebo poškozený. Pokud máte podezření, že byl balík poškozen nebo zdeformován, nepodepisujte dokumenty balíku a vraťte balík kurýrovi. Pokud je balík v pořádku, podepište fakturu (náložný list) nebo jiný dokument o převzetí zásilky. Podepsaný dokument je dokladem, že Vám bylo doručeno objednané zboží.
Při nákupu produktů delších než 2,4 m si může zákazník zajistit vykládku.
Vrácení zboží
U nás zakoupené zboží se snažíme zabalit. Bohužel někdy může dojít k poškození během přepravy. I když nevíte, jestli je něco poškozeno nebo ne, vždy je dobré si doručený balíček vyfotit na svůj smartphone, budete je potřebovat pro případ, že by došlo k poškození obsahu.
Pokud vidíte známky poškození obalu, proveďte následující kroky:
1. Vyfoťte balík a ujistěte se, že je viditelné poškození.
2. Rozbalte svou objednávku a zkontrolujte, zda nejsou nějaké produkty poškozené, vyfoťte poškozenou položku.
3. Pokud dojde k porušení, informujte nás prosím na e-mailu [email protected]
NB! U všech reklamací poškozeného nebo rozbitého zboží musíte reklamaci uplatnit do jednoho (1) pracovního dne od data doručení. Společnost musí obdržet úplné podrobnosti a popis v písemné podobě s připojenými fotografiemi poškozeného zboží.
Pokud kupující odmítne převzít dodané zboží, které není vadné, musí uhradit náklady na vrácení zboží k nám.
Máte-li jakékoli požadavky nebo připomínky ke službám rozvozu zboží, kontaktujte nás e-mailem nebo telefonicky. Vaše přání určitě zvážíme.
